Адрес для входа в РФ: moffler.xyz
Как Израиль провел операцию с пейджерами
В Reuters опубликовали подробное расследование того, как Израиль провел совершенно фантастическую операцию с пейджерами для Хезболлы.
Кратко.
Аккумуляторы в пейджерах с оружием, прибывших в Ливан в начале года в рамках израильского плана по уничтожению «Хезболлы», обладали мощными обманчивыми свойствами и имели «ахиллесову пяту».
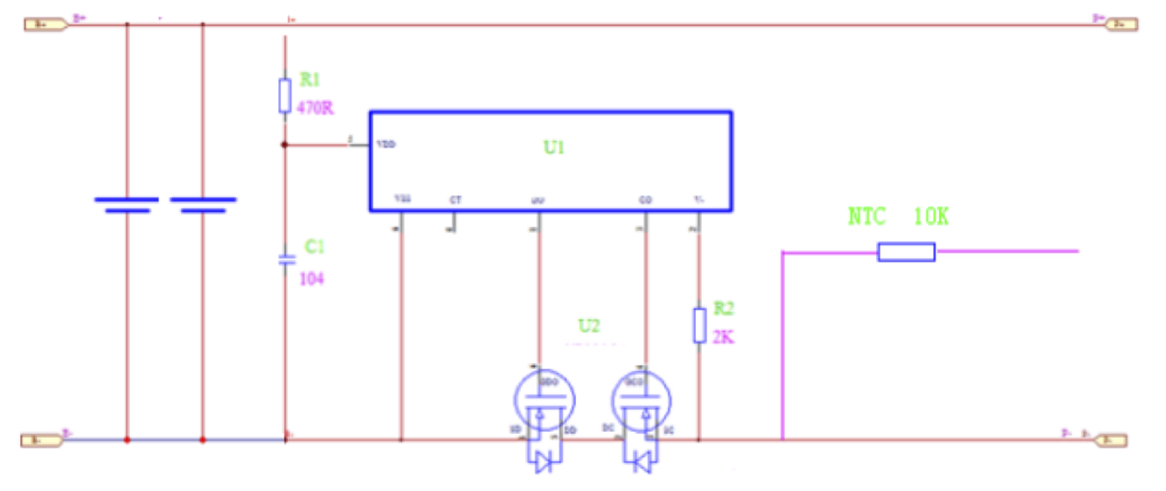
Агенты, создавшие пейджеры, разработали батарею, в которой скрывался небольшой, но мощный заряд пластиковой взрывчатки, и новый детонатор, невидимый для рентгеновского излучения.
Согласно ливанскому источнику и фотографиям, полученным Reuters, тонкий квадратный лист с шестью граммами белого пластикового взрывчатого вещества пентаэритрит тетранитрата (PETN) был зажат между двумя прямоугольными батарейными ячейками.
Оставшееся пространство между элементами батареи было занято полоской легковоспламеняющегося материала, который выступал в качестве детонатора.
Этот трехслойный сэндвич был помещен в черную пластиковую оболочку и заключен в металлический корпус размером со спичечный коробок.
По словам источника и двух экспертов по взрывчатым веществам, сборка была необычной, поскольку в ней не использовался стандартный миниатюрный детонатор, обычно представляющий собой металлический цилиндр. Отсутствие металлических компонентов позволило использовать материал для детонации: как и пластиковая взрывчатка, он не обнаруживался рентгеном.
По словам двух человек, знакомых с этим вопросом, после получения пейджеров в феврале «Хезболла» проверила их на наличие взрывчатки, пропустив через сканеры безопасности в аэропортах, чтобы проверить, не сработает ли сигнализация. Ничего подозрительного обнаружено не было.
По словам двух экспертов-взрывотехников, которым агентство Reuters показало конструкцию пейджера-бомбы, устройства, скорее всего, были устроены так, чтобы в блоке батареек возникала искра, достаточная для поджига детонирующего материала и взрыва листа PETN. Поскольку взрывчатка и упаковка занимали около трети объема, батарейный блок обладал лишь малой частью мощности, соответствующей его 35-граммовому весу.
По словам ливанского источника, в какой-то момент «Хезболла» заметила, что батарея разряжается быстрее, чем ожидалось. Однако, судя по всему, этот вопрос не вызвал серьезных опасений в плане безопасности - группировка все еще раздавала своим членам пейджеры за несколько часов до нападения.
17 сентября тысячи пейджеров одновременно взорвались в южных пригородах Бейрута и других опорных пунктах «Хезболлы», в большинстве случаев после того, как устройства подали звуковой сигнал, означающий входящее сообщение.
Среди пострадавших, доставленных в больницу, у многих были повреждены глаза, отсутствовали пальцы или зияли дыры в животе, говорят очевидцы Reuters, что указывает на их близость к устройствам в момент детонации. В общей сложности в результате атаки с использованием пейджеров и второй атаки, произошедшей на следующий день и приведшей в действие рации, погибли 39 человек и более 3 400 получили ранения.
Внешне источник питания пейджера выглядел как стандартный литий-ионный аккумулятор, используемый в тысячах товаров бытовой электроники.
Однако у батареи, обозначенной как LI-BT783, была проблема: как и пейджер, она не существовала на рынке.
Поэтому израильские агенты придумали предысторию с нуля.
У «Хезболлы» есть серьезные процедуры закупок, чтобы проверять то, что они покупают, сказал Reuters бывший офицер израильской разведки, который не был вовлечен в операцию с пейджером.
Создание предысторий, или «легенд», для агентов под прикрытием уже давно является одним из основных навыков шпионских агентств. Необычность сюжета с пейджерами заключается в том, что эти навыки, похоже, были применены к вездесущим продуктам бытовой электроники.
Что касается пейджеров, то агенты обманули «Хезболлу», продав созданную на заказ модель AR-924 под известным тайваньским брендом Gold Apollo.
В сентябре 2023 года на сайте apollosystemshk.com появились веб-страницы с изображением AR-924 и его аккумулятора, а также прочного пейджера и его громоздкого источника питания, согласно обзору интернет-записей и метаданных Reuters.
На сайте был указан адрес компании Apollo Systems HK в Гонконге. Компании с таким названием не существует ни по этому адресу, ни в корпоративных записях Гонконга.
Однако этот сайт был указан тайваньской бизнесвумен Ву на ее странице в Facebook, а также в публичных регистрационных записях, когда она регистрировала компанию Apollo Systems в Тайбэе в начале этого года.
Раздел сайта apollosystemshk.com, посвященный LI-BT783, акцентировал внимание на выдающихся характеристиках батареи. В отличие от одноразовых батареек, которыми питались пейджеры старого поколения, она могла работать 85 дней в автономном режиме и заряжаться через USB-кабель, говорилось на сайте и в 90-секундном рекламном ролике на YouTube.
В конце 2023 года в двух магазинах, торгующих батарейками, в каталогах появился LI-BT783.
Вспоминая тот день, когда они купили пейджеры, лидеры «Хезболлы» заявили, что начали внутреннее расследование, чтобы понять, как могла произойти брешь в системе безопасности, и выявить возможных «кротов».
Расследование «Хезболлы» помогло раскрыть, как израильские агенты использовали агрессивную тактику продаж, чтобы убедить менеджера по закупкам «Хезболлы» выбрать AR-924, сказал один из людей, знакомых с этим вопросом.
Продавец, который передал предложение, сделал очень недорогое предложение по пейджерам, «и продолжал снижать цену, пока его не уломали», - сказал собеседник.
Внутреннее расследование, которое все еще продолжается, потерпело неудачу 28 сентября: через одиннадцать дней после атаки с использованием пейджера высокопоставленный чиновник «Хезболлы», которому было поручено возглавить расследование закупок, Набиль Каук, был убит израильским авиаударом.
Кстати, где новая Фауда? Соскучился. Хотя тут скорее больше на продолжение Тегерана похоже.
Кстати, где новая Фауда?
Владельцы айфонов напряглись...
Пользователи iPhone 16 жалуются на проблемы с быстрым разрядом батарей
Некоторые владельцы свежих смартфонов Apple столкнулись с чрезмерным и необъяснимым разрядом батареи, о чём свидетельствуют сообщения на Reddit, сайте поддержки Apple и тематических форумах
The cartridges were filled with pentaerythritol tetranitrate (PETN).
The bomb found in the UK contained 400 grams (14 oz) of PETN, five times the amount needed to destroy a house.
Hans Michels, professor of safety engineering at University College London, said that just 6 grams (0.2 oz) of PETN—around 2% of what was used—would be enough to blow a hole in a metal plate twice the thickness of an aircraft's skin.
Т.е. они таки продали им это. Ну кто кроме евреев может это провернуть? Вспоминается анекдот как еврею дали листовки распространять...
Тушку доставили в Абу Кабир и оприходовали.
2. В самолёте связь отсутствует
3. Заряд довольно мал для серьёзного повреждения самолёта
Рамки осмотра - это в большей степени театр безопасности. Кому очень нужно будет - пронесёт. Но с другой стороны зачем террористу нести именно в самолёт, если есть куча мест с большой скученностью людей, без всяких рамок.
Химимеский состав взрывчатки и детонатора вряд ли опубликуют. Да и детали производства.
Но как идея для подражателей - тут уже цыпленка назад в яйцо не запихнешь...
Как-то летели в Италию, и друзья дали нам книгу-путеводитель.
И на вопрос "сами ли собирали чемодан?", я ответил "сами".
- Зачем же врать? - по-русски спросил проверяющий.
Сунул руку в кучу вещей и вытащил путеводитель.
Он на сканере засветился, как "чужая" вещь. Как именно - не знаю.
Дело было лет пятнадцать назад.
В чемодан этот путеводитель вы не клали, вам его друзья незаметно подсунули?
А сканер так и было написано - "эта вещь принадлежит друзьям"?
что для тараканов и клопов,
и добавить жидкость для мозолей,
капнуть капли три "Шанель" духов,
влить туда резинового клею
и разбавить лаком для ногтей
Алекс, ты его читал?
Там вроде в Газе главгада грохнули, ждём очередной корявый перевод.
Сидят в кофейне два шахида. Подбегает мальчишка и говорит одному из них:
- Дядя Хасан, дядя Али просил вас позвонить ему.
- Спасибо, Пейджер-джан...
Меня, как гражданина Израиля волнует, сколько все это стоило бюджету страны.
Расходы на оборону от ВВП в Израиле составляют 10%
Для сравнения в воюющей России на оборону тратится 6% ВВП.
США на оборону тратят 3,5% ВВП
Отсюда понятно, почему в Израиле цены на все товары раза в 2-3 выше, чем в той же России.
Но выбора нет.
Либо тратить деньги на оборону, либо всех убьют.
- От Жидомассонов
- От Укронацистов
- От Наркоманов
- От Родителя #1
- От Родителя #2
Но немного.
Вот кто тут слышал об этой... квадробике (правильно?) до того как умалишенные начали её запрещать?
Может эта... поднять цены на памперсы чтоб с перенаселением справиться?
[зануда мод офф]
результат который - всё те же пробки, просто все авто в них ободранные Хонды 20-летней давности? 😄
Как и аккумуляторы формата 18650 на 10000 махов на алишке. Короче, опять видны артефакты авто-перевода.
Война с Ордой. Сергей Ауслендер
Пошли пленные из Ливана. Пока немного, но и накал сражения там, прямо скажем, невысокий. В Газе в первый месяц сухопутной было гораздо хуже.
Рассказы у них один к одному:
- Сколько вас?
- Один (максимум трое).
- А где остальные?
- Поубивало бомбами с самолетов.
- А командиры?
- Сбежали. Сказали, вы тут держитесь до последнего, ни шагу назад, ни пяди нашей священной земли сионистам, вы уже все шахиды, вас там (пальцем в потолок) ждут, а мы сейчас перегруппируемся по-быстрому, у нас дело срочное в Бейруте. И свалили в направлении столицы, а может и куда подальше.
- А связь со штабом?
- Давно не было. Телефоны в руки брать боязно, а на наших рабочих частотах или глухо или говорят на иврите.
Ну и в таком духе. Священной войны не получается, с неба сыплется постоянно, сионисты оказались какие-то мотивированные, подготовленные и все совсем не как в 2006 году, когда подбивали им танки в свое полное удовольствие. Теперь воюют не по правилам - сначала авианалет жуткой силы, так, что пломбы из зубов вылетают, потом артиллерия, потом танки стреляют, только потом двигается пехота с броней, а стоит пальнуть в их сторону разок, как они останавливаются и вся эта адская карусель повторяется. Такого ужаса даже в Сирии не видели, а там, Аллаху акбар, замес был очень крутой.
Короче, мы на такое не подписывались...
1) Без доп проводки и электронных компонентов на плате (так как это сразу может вызвать подозрения)
2) Сигнал должет быть таким чтобы небыло ложных срабатываний. Т.е. например обычное повышение напряжения - это рискованно, так как повышение напряжения может быть и в 100 других случаев.
3) без сложной схемы внутри самой батереи, так как, не забываем, что это бы точно заметили при просветке рентгеном. Так что микроконтроллеры и даже отдельный цифрово-аналоговый преобразователь тоже мало вероятен.
Господа электронщики, есть идеи? 😄
Если это про модификацию контроллера зарядки батереи (на плате), то можно подать сигнал на сами контакты батереи, но кто этот сигнал разпознает и пошлет сигнал на сам детонатор? Тут то тоже повышение\понижение силы тока\напряжение не удолетворяет П2 😄
Он снимает показания температуры, тока и т.п. Эти показания влияют на логику его работы. "Показания" в сообщении могли иметь максимальный приоритет и повлиять на его работу из вне, а не при помощи датчиков.
Но да, защита от рандома и дурака должна быть достаточно надежной.
Но вот нормально ли контроллер в такой батерее? Такие контроллеры, на сколько я знаю , только в системах батерей. Т.е. где батерей много. И тогда есть отдельный контроллер этой системы.
Но тут..... не знаю.... 😄
Если только додуматся подать на провод температуры 3.3. А ведь можно по хитрее сделать. Перевести ногу на DAC и держать вольтаж на какое-то время. На стороне батереи в таком случае пару резисторов+конденсаторов что-бы запустить детонатор если например сигнал на температурном проводе держится в интервале 2.1-2.2 вольта в течении секунды. И в этом случае не зная эти рубежи и интервалы никто ничего не найдет. А резисторы и конденсаторы нормальное явление в батереях в отличии от контроллеров.

Включается он в соотв. настройке прошивки для срабатывания по приходу личного кода в заголовке сообщения и/или по приходу broadcast кода, общего для группы/всех пейджеров на данной частоте вещания. Это все штатно, т.е. никакой модификации пейджера для этого не нужно.
Моторчик может быть заменен/распараллелен на управление детонатором, дальше все понятно, переделок тут почти ноль. Чуть сложнее сделать, чтобы именно детонатор срабатывал на определенный broadcast, а на остальные - штатный мотор. Но никаких тут антенн и анализа развертки не нужно.
Дальше все очевидно: пейджеры имели зашитый broadcast RIC, на который реагировал не мотор, а детонатор (или, для простоты, оба вместе).
В этом месте теория упирается в наличие мало-мальски грамотного технаря, который занимался прошивками пейджеров и задал бы себе вопрос: а на хрена тут еще какой-то RIC шьется и почему он у всех одинаковый, как прогноз погоды, но нигде не документирован. Подозреваю, что хамас подобной фигней не морочился как и большинство пейджинговых опсосов в РФ в свое время. У многих даже программаторов не было, просто заказывали партию с определенными RIC по списку, которые программировал поставщик и были счастливы.
Для всяких шуриков, отвёрток, электровеликов, робопылесосов, где требуется именно батарея элементов. Там bms - отдельностоящее устройство.
Что касается арабов, которые ничего не сделали, когда увидели, что батарея почти не держит - тут я их прекрасно понимаю. Наверняка они привыкли к китайским нае.... с аккумуляторами. И в случае, когда заказчик сбивает цену, китайцы будут уступать, но максимально "оптимизировать" себестоимость. Батарея идёт под сокращение всегда самой первой, продолжая быть "100500 мАч", даже если это невозможно с точки зрения физики и химии.
Списали на происки ифритов и встроенную подсветку, поди.
Стандартные выпускаемые промышленностью электродетонаторы выглядят примерно как на картинке (и, по идее, проверяющие учились распознавать самые распространённые их типы), а самодельный детонатор может выглядеть вообще как угодно (фактически, просто как провод к чему-то подходяший. Но чтобы сделать детонатор как щипцы в шейкере - это должна быть сильная фантазия у его изготовителя...

Если выделять часть сообщения, игнорируя остальное, то спорить очень удобно. Но мне это не интересно.
Сама книга
И обычно ёмкость завышают. А тут ёмкость занижена -- значит, честно написали, надо брать, хороший продавец.
* Про тупые таймеры даже не вспоминаем...
Про возгорание уже написали. Причем в салоне его можно попытаться ликвидировать в начале, а внизу...
В предверие воскресенья - Али давно уже любые электрохимические источники возит только по земле.
Те же аккмумы на Li-On с содержанием лития более 2г уже давно запрещены к первозке в багаже.

А например в истории с генераторами кислорода по бумагам они были списаны как израсходованные, т.е. не опасные. Однако по факту остатков реактивов в них хватило для трагедии.
Я к тому, что стечение обстоятельств может быть фатальным, достаточно только что-то поджечь, в там как повезет.
Вас же не удивляет логика авиакомпаний, которые разрешают перезвозку, например, ножей в багаже, но недопускает оных в ручной клади?
Но вы правы, все равно запретят. Всё.
Еще можно демонстративно бахнуть одну вхолостую и сказать, что самолет заминирован, чуть что все взорвется.
Сценариев масса, увы.
и ткань, из которой арабские террористы бублик на голову делают.
От лития и натрия не спасёт, но заработать на этом можно.
ua.korrespondent.net
Вкратце, чтобы не читать.
Сгорела пожарная станции в Германии с десятью пожарными автомобилями. Ущерб порядка 25 млн. евро.
дооо, по земле
Приятно смотреть на работу профессионалов.
Видимо при запаривании банка слегка лопнула. 🤣
Видимо при запаривании банка слегка лопнула
Но банку тушенки таки впарили по уличной цене кокаина!

Вспомнился анекдот 90-х: из дневника нового русского: "Вчера перечитывал пейджер. Много думал... "
Было бы интересно услышать, как Моссад привел их все в действие одновременно.
Вот, нашел. Говорят что взрывался либо сразу при прочтении, либо через минуту после получения сообщения. Что то вроде самоуничтожения, но заодно и зацепило тех кто не стал сразу пейджер из кармана доставать.
www.timesofisrael.com
Да, они все получили тяжелые психологические травмы.
Ответ: любую.
Ничего, летали как-то.
Ну, раньше без ремней безопасности тоже ездили как-то. Самолет упадет, спросят с компании, почему не предотвтратили, и ответ "летали как-то" обычных пассажиров не устроит. [С Нитаньяху, как я понял, никто не спросит]. Я, например, перестал летать Боингом после того, как у него двери начали отрываться. Не потому, что боюсь, а "пошли они нах с такими самолетами".
Может, xамасовцы будут теперь летать по десятку вместе. Чтобы уж если погибать, то хоть еще человек 100-200 с собой забрать.
Кстати... пишут, ~40 человек погибло и ~3000 получили ранения. Вопрос: сколько пейджеров было активировано? Так можно примерно узнать число стоявших рядом побочек.
- Все слышали? Она обозвала рабочего человека скотиной!

Если можно изготовить детонатор, который не видят устройства безопасности, он БУДЕТ изготовлен. И очень скоро попадёт на рейс ОбычныйГород - Тель-Авив.
+1 к аэрофобиям.
А вот батарейки планшетов посерьёзнее будут.
(по памяти, Роман Арбитман/Лев Гурский)
Да, весёлого мало.
Самолетостроение тоже готовится к возможным атакам террористов, и проектирует самолеты так, чтобы их было как можно труднее уничтожить, тем более, мелкими зарядами.
Просто взорвать часть салона почти ничего не даст. Известны случаи, когда удавалось продолжить полет и посадить самолет, корпус которого был поврежден очень серьезно, один раз даже оторвало верхнюю часть самолете.
Чтобы произошла катастрофа, надо нанести ущерб двигателям (притом обоим!), или топливному баку, или механизмам управления элеронами и т.д. Это все не так-то просто, требуются мощные заряды. Например, боевая часть ракеты несколько десятков килограмм.
В вашем примере высота была 7300. На 10.000+ никто не выжил бы.
А с нормальным атмосферным (101 КПа) разница будет в 4-5 раз (я знаю, что в салоне чуть ниже нормального).
Выдумка говорите? Ню-ню.
В Европе подозревают Россию уже во второй попытке поджечь самолет с помощью отправленной через DHL посылки.
Контртеррористическое подразделение полиции Великобритании расследует попытку поджечь гражданский самолет с помощью посылки. Это уже второй такой случай, о котором стало известно на этой неделе. Европейские спецслужбы подозревают, что диверсии пытались организовать российские шпионы.
линк
2) Не сбить, а вырубить двигатели, а дальше возможны варианты,
3) Нужны не решетки, а частые сетки (через решетку ворону протянет насквозь),
4) Это работает только на взлете,
5) Если владеешь калькулятором, посчитай, какой процент упавших гражданских бортов вызван воронами, и сравни с другими источниками угрозы. А потом уже раздавай самолетостроителям советы, уважаемый "эксперт" по авиабезопасности.
Впрочем, чтобы меня опровернгуть, достаточно привести один (1) пример столкновения самолета со стаей на высоте 10+ км. Наверняка же таких примеров достаточно, если только жадность "авиастроителей" не дает им закрыть воздухозаборники сетками?
Can planes fly on just one engine?
Absolutely. That is what they are designed to do.
Впрочем, я это и так знал. Теперь жду твоей ссылки на источник про 2-3 часа и 5 км.
Так что там с эпизодами столкновения лайнера со стаей на 10+ км? Ссылки будут?
Absolutely. That is what they are designed to do.
Собственно изначально, на заре двухмоторных лайнеров, эта сертификация подразумевала всего 60 минут. Там задача не долететь до точки назначения, а дотянуть до ближайшего аэропорта.
По сути от данной сертификации напрямую зависит на какие маршруты лайнер будет допущен, а на какие - нет.
Насколько я помню рейсовые рекордсмены сейчас это Boeing 787 и 777 с ETOPS 330.
Про малый бюджет это ты мимо кассы - это не блокбастер. Берут интервью у следователей, которые вели соответствующие дела, у экспертов и чиновников, которые так или иначе связаны с авиабезопасностью.
Вполне познавательно. Кому мало - может, как я уже сказал, посмотреть отчеты комиссий самостоятельно.
Т.о. разгерметизация на высоте более 3000м считаетется опасной для жизни. Чем выше тем опаснее, конечно. И на высоте 7000м уже крайне опасна для жизни, если не пользоваться кислородной маской.
А вот с эшелона самолет уже может планировать достаточно долго - тот же планёр Гимли, если не ошибаюсь, без двигателей десятки километров спокойно пролетел.
Gimli Glider
Что в результате? Emergency landing в результате. И никакой катастрофы. Так что мимо. Иди, ищи дальше своих ворон, сбивающих гражданский лайнер на эшелоне.
"Flying with all engines out was never expected to occur, so it had never been covered in training.[14] "
"They had searched their emergency checklist for the section on flying the aircraft with both engines out, only to find that no such section existed.[13]"
Надеюсь, теперь они этому учат.
List of airline flights that required gliding
Gimli Glider и вот это - British Airways Flight 009 выделяются. Второй из за обьявления капитана, который вошел в историю как "a masterpiece of understatement"
Ladies and gentlemen, this is your captain speaking. We have a small problem. All four engines have stopped. We are doing our damnedest to get them going again. I trust you are not in too much distress.
www.imdb.com
Я думал, что это обязательный скил. Когда я еще был мелкий и боялся летать (тогда на Ил-86), и спросил отца, что будет, если откажут все двигатели, он меня уверил, что он может планировать. Меня его ответ устроил. Было это еще в 80х 😄.
Разрыв шаблона гарантирован.
А я даже подскажу почему просто мизер - ла потому что вероятность встретиться с птицами на эшелене в ПОРЯДКИ раз меньше. Почему - ну тут наверно сам сможешь теорию посмотреть (или дальше разжовывать?)...
При этом подозреваю, что время указано ГАРАНТИРОВАННОЕ. Т.е. то, на которое экипаж может на 100% быть уверен что второй двигатель проработает.. После - подозреваю также, что по истечению времени не произойдет обязательной остановки оставшегося двигателя...
Самолет же с одним дивагателем и так работает в перегрузе и запросто может не справиться с доп. нагрузкой на эшелоне 9 км. Поэтому безопаснее и разумнее снизиться до условных 5 км, так как вопрос экономии топлива и скорости полета сейчас сугубо вторичен.
Самолет же с одним дивагателем и так работает в перегрузе и запросто может не справиться с доп. нагрузкой на эшелоне 9 км. Поэтому безопаснее и разумнее снизиться до условных 5 км, так как вопрос экономии топлива и скорости полета сейчас сугубо вторичен.
1. Давайте вспомним с чего вообще все началось:
2. Эшелон рассчитывается из многих параметров и экономия это только один их этих параметров. Один из важнейших, но далеко не единственный. И да - если по каким то причинам самолету потребуется продолжить полет на 10 км (снизу гроза) - то даже на одном двигателе он это с легкостью проделает. Да, в этом случае у него останется запаса топлива не на 4 часа, а на 2, но как это отличается от выстроенной вами фразы, из которой следует что на одном двигателе самолет начинает терять высоту....
4. В более интенсивном режиме двигатель действительно жрет больше топлива (точнее будет сказать скорость самолета будет непропорциональна расходу топлива). Но простите - а вы не забыли посчитать что оставшееся топливо от второго двигателя может пойти в первый?..... Т.е. расход увеличится, но насколько - тут вопрос отдельный... Но рассказывать сразу что "многократно" я бы не стал....
Так что простите - вы на входе задвинули спорное утверждение с примесью конспиралогии (что все упирается ТОЛЬКО в жадность АК), а далее продолжили натягивать сову на глобус. Нунинада.....
Будем считать, что неудачно сформулировано и все сделавшие вывод из ваших слов просто не умеют воспринимать ситуацию.
Так что нет - простите, но и сейчас вы продолжаете натягивать сову на глобус.... Потихоньку отползая "ну неудачно сформулировал" вместо того чтобы сразу сказать "да, сморозил фигню"
Или вы будете утверждать, что рабочая нагрузка при одновременной работе двух двигателей и одном - одинаковая?
Ну может хватит еще глубже закапываться?....